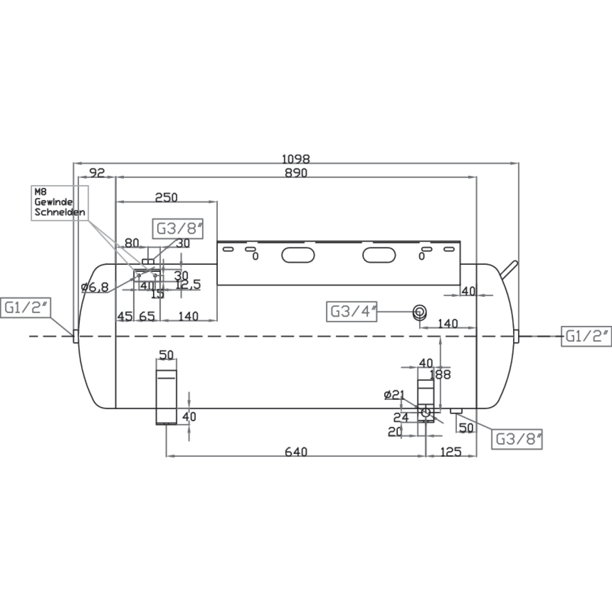
Druckluftbehälter M ACDB 100/10 H MK mit Konsole
- Innen und außen feuerverzinkt mit fünfzehn Jahre Garantie gegen Durchrostung
- Gebaut nach EG-Richtlinie 87/404/EWG oder DGRL 97/23/EG -AD 2000, Modul: H / H 1
- Betriebsbedingungen nach AD 2000 – S1 (10/2000) = An- und Abfahrten und 20% Druckschwankungsbreite
Technische Daten
- Behälterinhalt 100 l
- Höchstdruck 10 bar
- Typ Liegend
- Länge (Produkt) ca. 1098 mm
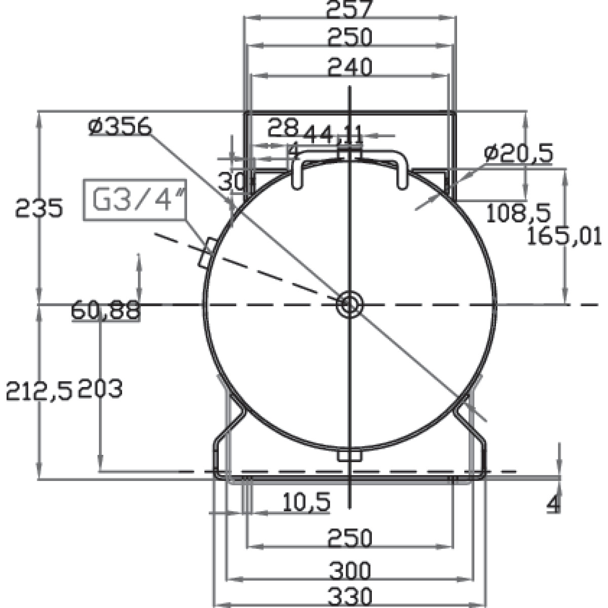
- Breite/Tiefe (Produkt) ca. 330 mm
- Höhe (Produkt) ca. 448,5 mm
- Gewicht (Netto) ca. 35,9 kg








