Manueller Schlauchaufroller Edelstahl Serie 560
ELMAG-Aufroller
Robuste und kompakte ELMAG-Aufroller ermöglichen den praktischen und sicheren Transport aller Arten von flüssigen und gasförmigen Medien mittels flexiblen Schläuchen.
Erhältlich sind diese in verschiedenen Varianten:
- Fixiert oder schwenkbar
- Stahl, Edelstahl AISI 304 und Kompositmaterialien
- Manueller (Rückzugfeder) oder motorischer (elektrisch, pneumatisch oder hydraulisch) Antrieb
ELMAG Schlauchaufroller können für folgende Medien eingesetzt werden:
- Druckluft / Wasser (20 bar): Werkstatt, Montage, Arbeitsplatzsystem
- Wasser (100 / 200 / 400 bar): Reinigung
- Öl, Frostschutz und ähnliche Produkte (150 bar): Werkstatt, Tankanlagen
- Fette (400 bar): Werkstatt, Industrie
- Benzin, Diesel und Kerosin (10 bar): Werkstatt, Tankanlagen
- Schweißgase (20 bar): Industrie, Schweißarbeitsplätze
- LPG und Naturgase (20 bar): Tankanlagen, Schweißarbeitsplätze
Automatik-Schlauchaufroller in ATEX-Ausführung
ATEX steht für ‘ATmosphére EXplosible’ und ist die Kurzbezeichnung für die europäische Richtlinie 94/9/EG für das Inverkehrbringen explosionsgeschützter elektrischer und mechanischer Geräte, Komponenten und Schutzsysteme.
Schlauchaufroller Serie MANUAL
A. Die Schlauchaufroller der Serie MANUAL sind mit einem Sicherheitssystem ausgestattet, welches dafür sorgt, dass die Kurbel beim Abrollen des Schlauches starr bleibt.
B. Wollen Sie den Schlauch wieder aufrollen, müssen Sie folgende Schritte ausführen:
1. Drücken Sie auf den Knopf der die Kurbel mit der Trommel verbindet.
2. Drehen Sie die Kurbel gegen den Uhrzeigersinn.
C. Blockiervorrichtung (als Option erhältlich, Best. Nr. 44520): Diese spezielle Vorrichtung blockiert das Abrollen des Schlauches = Transportsicherung
D. Original Lieferumfang: Ist die Blockiervorrichtung nicht vorhanden, schützt eine Blindverschraubung die Kupplung vor fremden Partikeln.
Weitere Details
Max. Schlauchkapazitäten:
- Ø 14 mm = Länge max. 200 m
- Ø 17 mm = Länge max. 120 m
- Ø 20 mm = Länge max. 85 m
- Ø 21 mm = Länge max. 60 m
- Ø 27 mm = Länge max. 45 m
- Ø 34 mm = Länge max. 30m
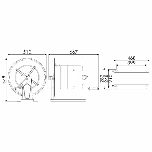
Technische Daten
- Gehäuse: Edelstahl AISI 304
- Max. Arbeitsdruck: 20bar
- Anschluss Eingang: IG 1’Zoll
- Anschluss Ausgang: IG 1’Zoll







