Manuelle Schwenkbiegemaschine FSBM 1270-20 E
- Die Werkstückklemmung erfolgt mittels Fußpedal, dadurch bleiben beide Hände frei für die Materialzuführung
- Unterschiedliche Werkzeugvarianten erhältlich E, S2, HS2 und HSG
- Der kräftige Hilfszylinder erleichtert das Biegen
- Weiter Durchlass zwischen Ober- und Unterwange von bis zu 25 mm
- Selbstschmierende Gleitlager
- Klemmdruck der Oberwange über griffige Rändelschrauben einfach einstellbar
- Einstellung der Materialstärke mittels Rändelschraube
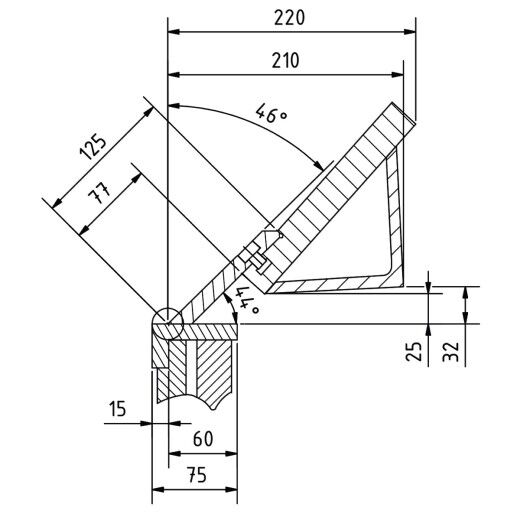
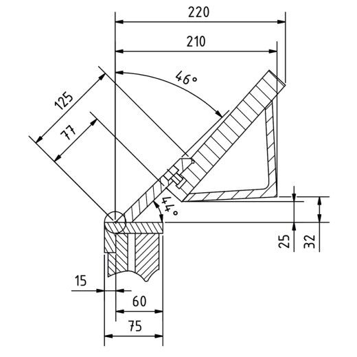
- Verstellbarer Anschlag für Biegewinkel
- Mit segmentierten Scharfbiegewerkzeugen, durchgehender Biegeleiste und durchgehender Bettauflage
Technische Daten
- Arbeitsbreite max. 1020 mm
- Biegewinkel max. 135°
- Segmentaufteilung 25-30-35-40-45-50-75-100-150-200-250-270 mm
- Länge (Produkt) ca. 1600 mm
- Breite/Tiefe (Produkt) ca. 800 mm
- Höhe (Produkt) ca. 1130 mm
- Gewicht (Netto) ca. 340 kg
- Biegeleistung 235 N/mm² 2,0 mm
- Biegeleistung 700 N/mm² 1,2 mm
- Erläuterung Biegeleistung 700 N/mm² Zum Biegen von VA sind gehärtete Oberwerkzeuge erforderlich
- Biegeleistung Aluminium 2,4 mm



