Druckluftkessel liegend, 15 bar – VERZINKT
ELMAG EURO CE Druckluftspeicherbehälter sind CE-konform ausgeführt, TÜV-geprüft und geeignet:
- Für den direkten Anbau eines Silent-Kompressors oder Palettenaggregates
- Ergänzung des Pufferspeichers von bereits bestehenden Systemen
- Hand-/Mannloch optional ab 500 Liter Kessel möglich
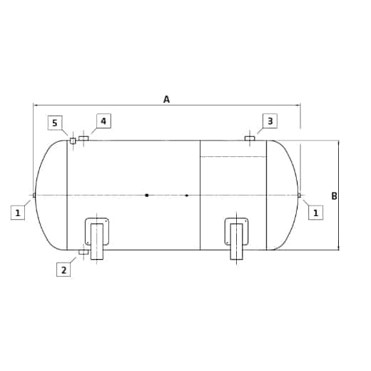
Abmessungen
- A – 193 cm
- B – 60 cm
- 1 – 2 Zoll
- 2 – 1/2 Zoll
- 3 – 1/2 Zoll
- 4 – 1 Zoll
- 5 – 3/8 Zoll
Details
- Innen und außen feuerverzinkt
- Prozess nach UNI EN ISO 1461
- Qualitätsprüfung
- TÜV-Typenprüfung
- CE-Konformität
- Temperaturbereich: -10 °C bis +120 °C
- 10 Jahre Garantie gegen Kesseldurchrostung
- Inkl. Manometer & Sicherheitsventil
Technische Daten
- Max. Betriebsdruck 15 bar
- Behältervolumen 500 l
- Abmessungen 1930×600 mm
- Gewicht 154 kg





